| 技术参数 | 段数 | 减速比 | BPTSW045 | BPTSW070 | BPTSW080 | BPTSW110 | BPTSW135 | BPTSW165 | BPTSW200 | BPTSW250 |
|---|---|---|---|---|---|---|---|---|---|---|
| 额定输出扭矩(Nm) | L1 | 6 | 9.5 | 30 | 78.5 | 230 | 350 | 750 | 1500 | 2150 |
| 8,10,12 | 9.5 | 30 | 78.5 | 230 | 350 | 750 | 1500 | 2150 | ||
| 14,16,18 | 9.5 | 30 | 78.5 | 230 | 350 | 750 | 1500 | 2150 | ||
| 15,20,25,30, 35,40,50 | 9.5 | 24.5 | 49.0 | 123 | 208 | 490 | 800 | 2150 | ||
| L2 | 24,30,100,160,180, 200,210 | / | / | 70.0 | 170 | 350 | 750 | 1500 | 2150 | |
| 32,36,40,50 | / | / | 78.5 | 230 | 350 | 750 | 1500 | 2150 | ||
| 56,60,70,80 | / | / | 78.5 | 230 | 350 | 750 | 1500 | 2150 | ||
| 48,120,140 | / | / | 78.5 | 230 | 350 | 750 | 1500 | 2150 | ||
| 45,75,84,105,125, 150,175,250 | / | / | 49.0 | 123 | 208 | 490 | 800 | 2150 | ||
| 最大加速转距(Nm) | L1,L2 | 6-250 | 1.5倍额定输出转矩 | |||||||
| 瞬间输出转距(Nm) | L1,L2 | 6-250 | 3倍额定输出转矩 | |||||||
| 输入转数(rpm) | L1,L2 | 6-250 | 3000 | 3000 | 3000 | 3000 | 3000 | 3000 | 2000 | 2000 |
| 最大输入转数(rpm) | L1,L2 | 6-250 | 4500 | 4500 | 4500 | 3000 | 3000 | 3000 | 2000 | 2000 |
| 标准背隙P2(arcmin) | L1 | 6-50 | ≤10 | ≤6 | ≤6 | ≤6 | ≤6 | ≤6 | ≤6 | ≤6 |
| L2 | 24-250 | ≤10 | ≤9 | ≤9 | ≤9 | ≤9 | ≤9 | ≤9 | ≤9 | |
| 精密背隙P1(arcmin) | L1 | 6-50 | ≤8 | ≤5 | ≤5 | ≤5 | ≤5 | ≤5 | ≤5 | ≤5 |
| L2 | 24-250 | ≤8 | ≤8 | ≤8 | ≤8 | ≤8 | ≤8 | ≤8 | ≤8 | |
| 精密背隙P0(arcmin) | L1 | 6-50 | / | ≤3 | ≤3 | ≤3 | ≤3 | ≤3 | ≤3 | ≤3 |
| L2 | 24-250 | / | ≤6 | ≤6 | ≤6 | ≤6 | ≤6 | ≤6 | ≤6 | |
| 容许径向力(N) | L1,L2 | 6-250 | 1100 | 2800 | 3900 | 5500 | 9800 | 16500 | 24100 | 45000 |
| 容许轴向力(N) | L1,L2 | 6-250 | 650 | 2800 | 3900 | 5500 | 9800 | 16500 | 24100 | 45000 |
| 工作寿命(hr) | L1 | 6-50 | >20000 | |||||||
| 效率(%) | L1 | 6-50 | 90% | |||||||
| L1,L2 | 6-250 | 85% | ||||||||
| 重量(kg) | L1 | 6-50 | 1.8 | 3.5 | 5.5 | 11.0 | 21.0 | 36.5 | 55.3 | 175.0 |
| L1,L2 | 6-250 | / | 5.0 | 6.0 | 13.0 | 24.5 | 41.0 | 65.5 | 205.0 | |
| 使用温度(°C) | L1,L2 | 6-250 | -10°C ~ +70°C | |||||||
| 噪音值(dB) | L1,L2 | 6-250 | ≤62 | ≤68 | ≤68 | ≤70 | ≤72 | ≤73 | ≤76 | ≤76 |
| 技术参数 | 单位 | 减速比 | BPTSW045 | BPTSW070 | BPTSW080 | BPTSW110 | BPTSW135 | BPTSW165 | BPTSW200 | BPTSW250 |
|---|---|---|---|---|---|---|---|---|---|---|
| 转动惯量 | kg.cm2 | 6,15 | 0.042 | 0.56 | 0.56 | 3.92 | 6.28 | 14.83 | 33.21 | 33.21 |
| 8,10,12 | 0.032 | / | 0.47 | 3.75 | 5.64 | 11.85 | 29.25 | 29.25 | ||
| 14,16,18,20 | 0.027 | 0.43 | 0.43 | 3.70 | 5.12 | 10.25 | 25.16 | 25.16 | ||
| 25,30,35,40,50 | / | 0.4 | 0.4 | 3.65 | 5.06 | 9.66 | 24.02 | 24.02 | ||
| 24,30,75 | / | / | 0.56 | 3.92 | 6.28 | 14.83 | 33.21 | 33.21 | ||
| 32,40,50,60,175 | / | / | 0.47 | 3.75 | 5.64 | 11.85 | 29.25 | 29.25 | ||
| 56,70,80,100,125,250 | / | / | 0.43 | 3.70 | 5.12 | 10.25 | 25.16 | 25.16 | ||
| 120,140,160,180,200 | / | / | 0.4 | 3.65 | 5.06 | 9.66 | 24.02 | 24.02 |
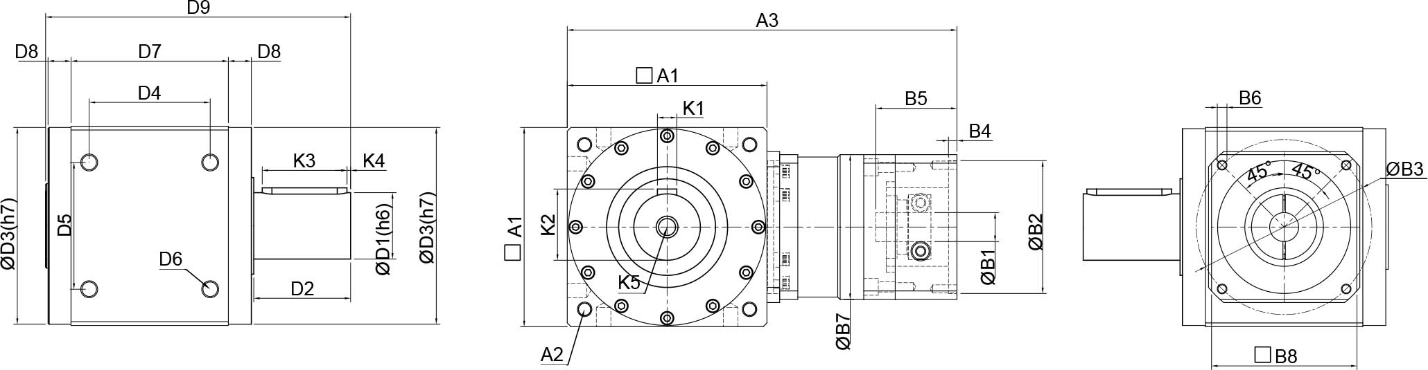
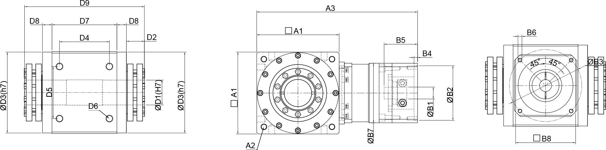
BPTSW-2P




BPTSW-P




BPTSW-CR




BPTSW-HP




BPTSW-2HP




BPTSW-HPK




BPTSW-2HPK




BPTSW-RF




BPTSW-RFK




欢迎随时联系我们
如果您对我们的产品解决方案有任何疑问,我们的客户支持团队将在第一时间为您提供帮助。我们的专家很乐意为您服务。
更多相关的精密减速机
专业:您理想的合作伙伴
我们针对每一种需求,提供正确的选型计算。但是,我们希望您亲自体验:筛选、配置并设计驱动系统,一切皆有可能









