中空旋转平台|重负载旋转平台|高精度减速机|精密减速机|巴普曼

ZH-CN 关闭
查找产品 快速选型
BPTF140法兰输入型直角减速机
BPTF140法兰输入型直角减速机
BPTF140法兰输入型直角减速机
BPTF140法兰输入型直角减速机
BPTF140法兰输入型直角减速机
BPTF140法兰输入型直角减速机
BPTF140法兰输入型直角减速机
BPTF140法兰输入型直角减速机

-   精密伺服直角减速机

BPTF140法兰输入型直角减速机

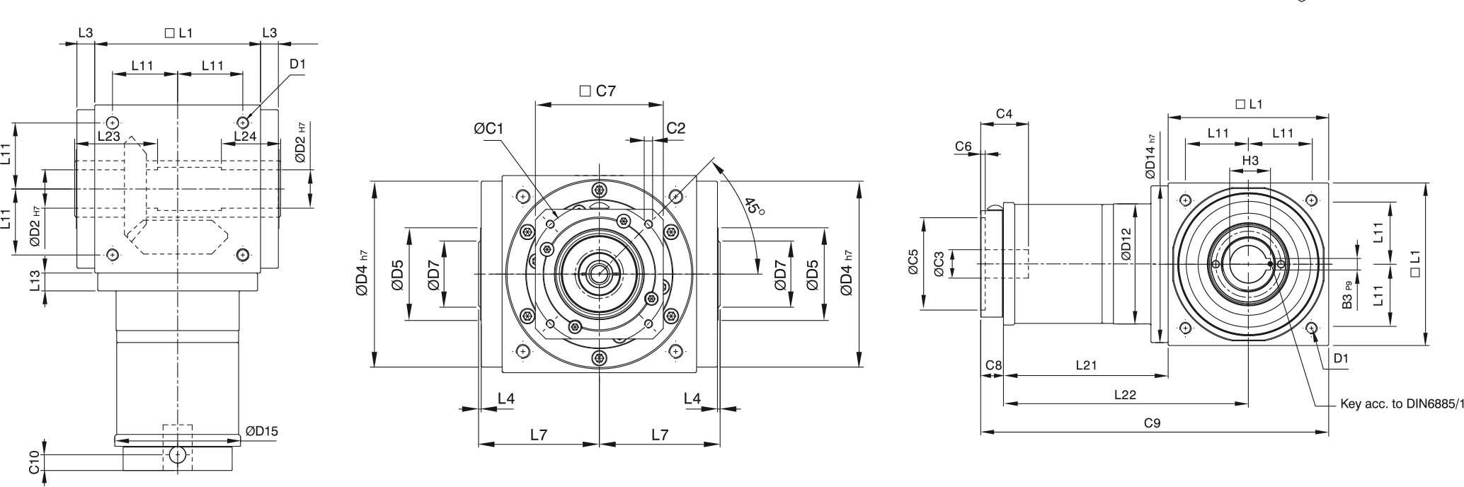
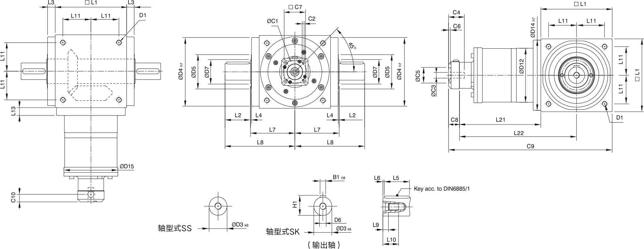
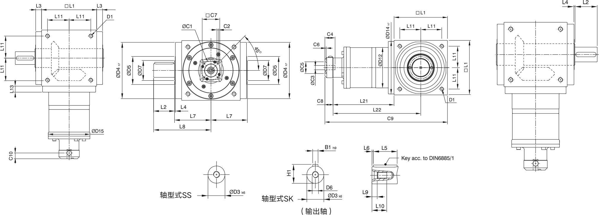
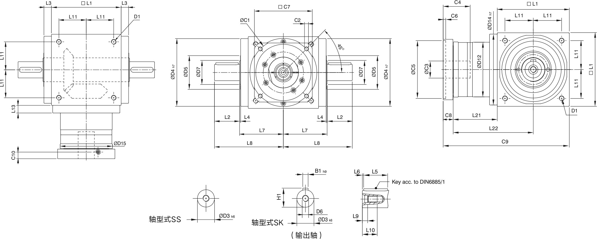
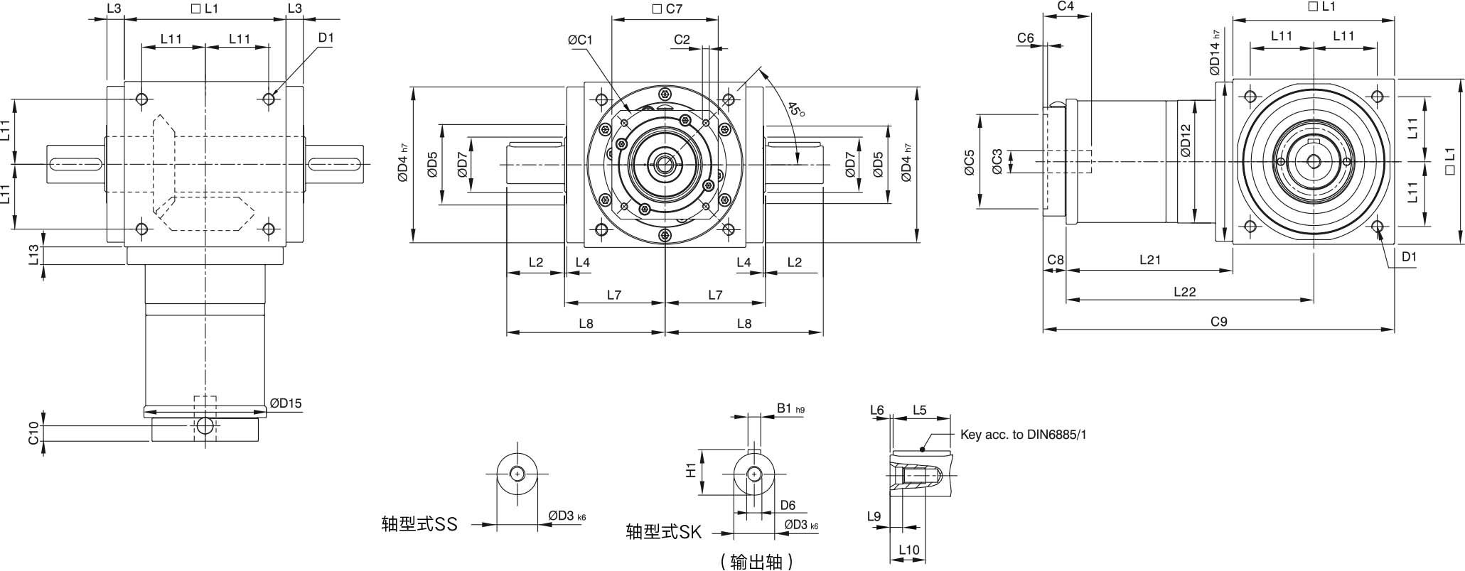
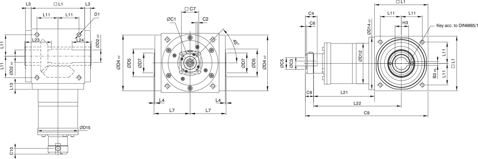
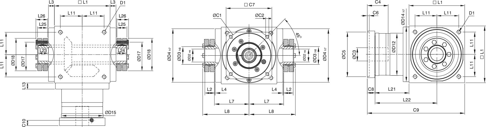
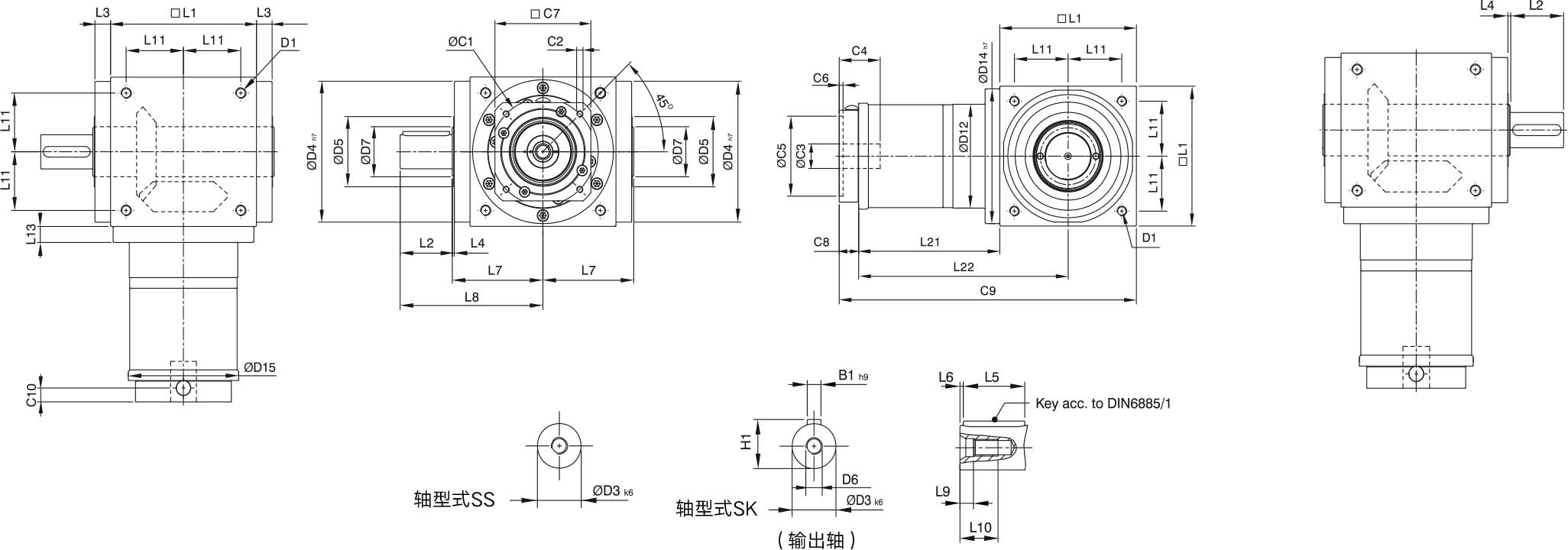
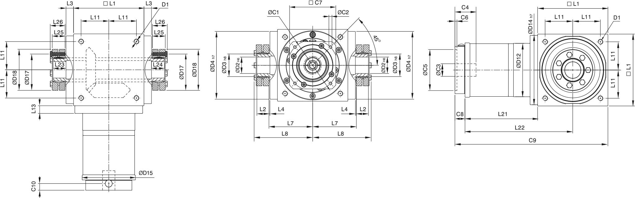
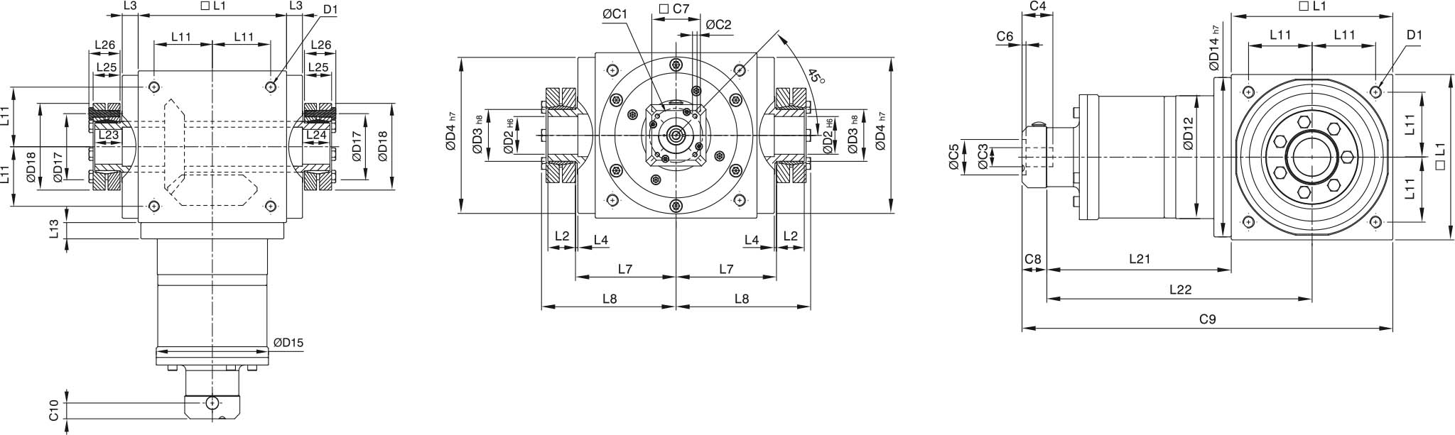
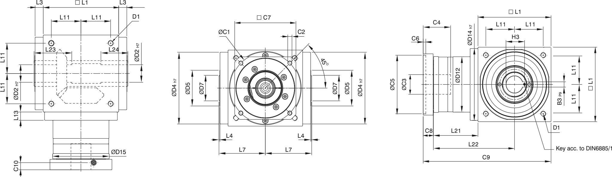
结构尺寸

使用选型工具快速选型

您是否想了解更多?

如需要了解更多CAD数据或3D模型,请直接与我们BUPERMANN联系:

技术参数段数减速比BPTF065BPTF075BPTF090BPTF110BPTF140BPTF170BPTF210BPTF240BPTF280
额定输出扭矩NmL11254578150360585130021503200
L11.5254578150360585130021503200
L12244268150330544122020103020
L13183354120270450102016502850
L1413284810022437686014102300
L151225408519632074012102000
L27121233919191195358358
L210242868150208208430846846
L21518335712027031264512691269
L22013284810022437686014101692
L2251225408519632074012102000
L2351225408519632074012101790
L2501225408519632074012101465
L375///12021031258512691269
L3100///10022437678014101292
L3125///8519632074012102000
L3150///120135312390975975
L3200///10018037652013001300
L3250///8519632065012101625
L3350///8519632065012101790
L3500///8519632065012101465
急停扭矩L1~L3rpm1.5倍额定输出转矩
最大输入转数L1~L3rpm7500-80006500-80005500-60004500-80003500-80003000-60002200-60002000-60001700-6000
背隙L1~L3arcmin6-86-86-86-106-106-106-106-106-10
容许径向力(输出轴)L1~L3N90011001700270048006600115001600018000
容许轴向力(输出轴)L1~L3N450550850135024003300575085009000
工作寿命L1~L3hr≥20000
满载时效率L1~L3%94-98
工作温度L1~L3°C-10ºC ~ 90ºC
重量L1~L3kg2.8-3.24.4-4.87.1-8.112.1-13.920.9-24.236.1-38.869.4-74.1101.2-112.4158.3-171.0
运行噪音L1~L3dB≤71≤72≤76≤77≤78≤79≤81≤83≤84
技术参数单位减速比BPTF065BPTF075BPTF090BPTF110BPTF140BPTF170BPTF210BPTF240BPTF280
转动惯量kg.cm210.511.303.147.6223.5459.09195.96365.38787.63
1.50.461.152.806.6519.3449.38156.02279.62584.28
20.441.102.686.2317.7245.44140.80245.78500.26
30.431.092.646.0817.1644.11135.51233.75471.56
40.431.082.636.0517.0343.79134.14230.77464.76
50.431.082.636.0416.9943.39133.71229.71462.08
70.150.150.502.792.792.799.9129.2629.26
100.150.150.502.802.802.809.9629.4329.43
150.150.150.502.802.802.809.9629.4329.43
200.150.150.502.802.802.809.9629.4329.43
250.150.150.502.802.802.809.9629.4329.43
350.150.150.502.792.792.799.9129.2629.26
500.150.150.502.792.792.799.8929.2029.20
75///0.150.150.500.502.802.80
100///0.150.150.500.502.802.80
125///0.150.150.500.502.802.80
150///0.150.150.500.502.792.79
200///0.150.150.500.502.792.79
250///0.150.150.500.502.792.79
350///0.150.150.500.502.792.79
500///0.150.150.500.502.792.79

单节 减速比 1~5

单节 减速比 7~50

单节 减速比 75~500

单节 减速比 1~5

单节 减速比 7~50

单节 减速比 75~500

单节 减速比 1~5

单节 减速比 7~50

单节 减速比 75~500

单节 减速比 1~5

单节 减速比 7~50

单节 减速比 75~500

欢迎随时联系我们

如果您对我们的产品解决方案有任何疑问,我们的客户支持团队将在第一时间为您提供帮助。我们的专家很乐意为您服务。

请选择您的需求类型
请选择您的行业
请输入您的应用
请输入您的姓名
请输入您的电话
请输入您的电子邮箱
请输入您的需求

更多相关的精密减速机

BPT系列转向器

BPT系列转向器

减速比
1-5
额定扭矩
12-3200 Nm
回程间隙
6 arcmin
输入转数
1700-7500 rpm
径向力
900-18000 N

结构尺寸

查看产品
BPTF系列精密伺服直角减速机

BPTF系列精密伺服直角减速机

减速比
1-500
额定扭矩
12-3200 Nm
回程间隙
6-10 arcmin
输入转数
1700-8000 rpm
径向力
900-18000 N

结构尺寸

查看产品
BPTSW系列精密伺服直角减速机

BPTSW系列精密伺服直角减速机

减速比
6-300
额定扭矩
9.5-2150 Nm
回程间隙
3-10 arcmin
输入转数
2000-4500 rpm
径向力
1100-45000 N

结构尺寸

查看产品

专业:您理想的合作伙伴

我们针对每一种需求,提供正确的选型计算。但是,我们希望您亲自体验:筛选、配置并设计驱动系统,一切皆有可能

减速机快速选型

我们针对每一种需求,提供正确的软件。但是,我们希望您亲自体验:筛选、配置并设计驱动系统,一切皆有可能 —— 只需几下点击.

进一步了解和使用我们的选型工具

3D模型和图纸下载

我们针对每一种需求,提供正确的软件。但是,我们希望您亲自体验:筛选、配置并设计驱动系统,一切皆有可能 —— 只需几下点击.

进一步了解和使用我们的选型工具

您有关于我们减速机的疑问吗?

请与我们联系!